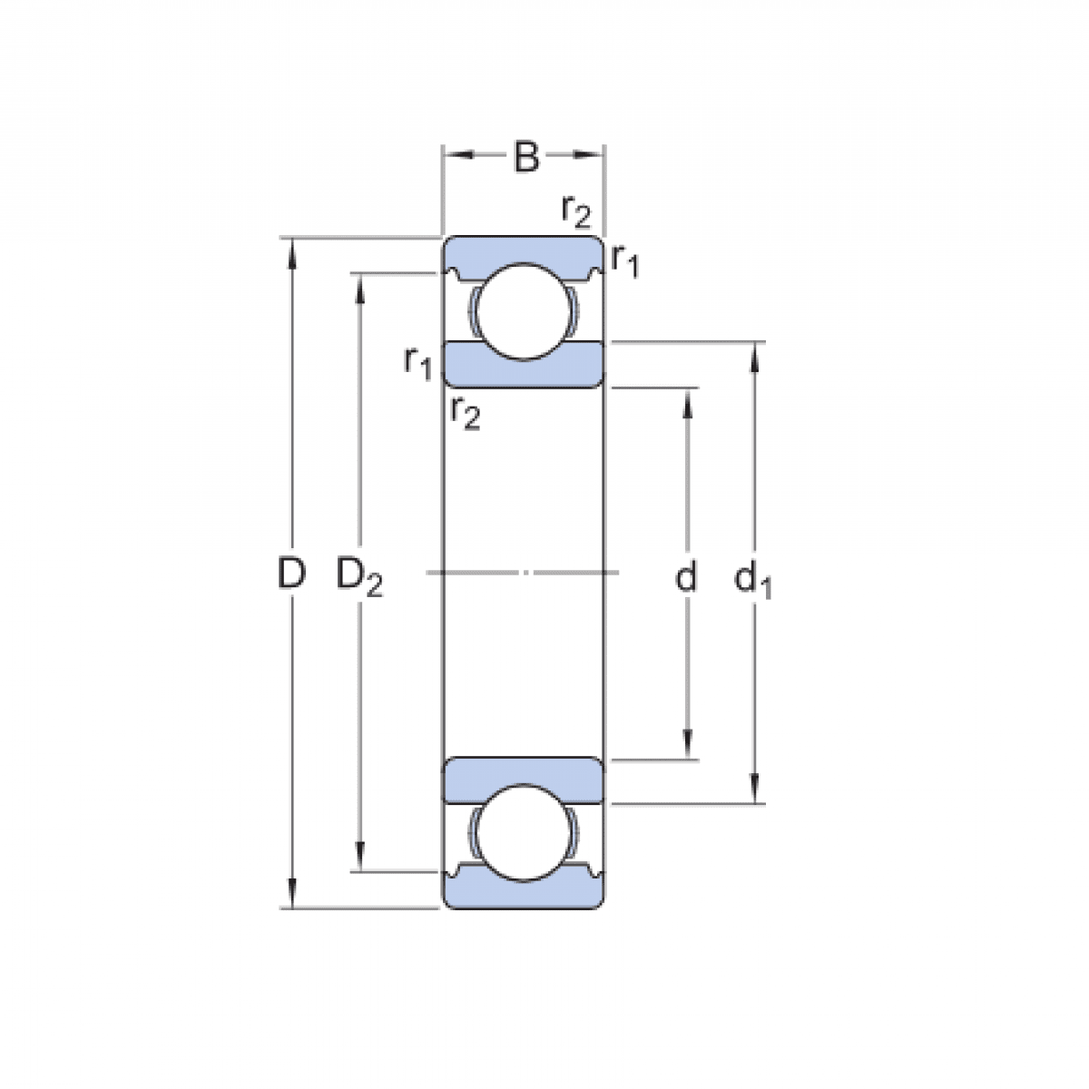
Ložisko 6008 C3 - CX

Rozmer: 40x68x15 Značka: CX
Skladom 28 ks na dopyt
+
-
ks