Ložisko 6008 C3 - ZKL

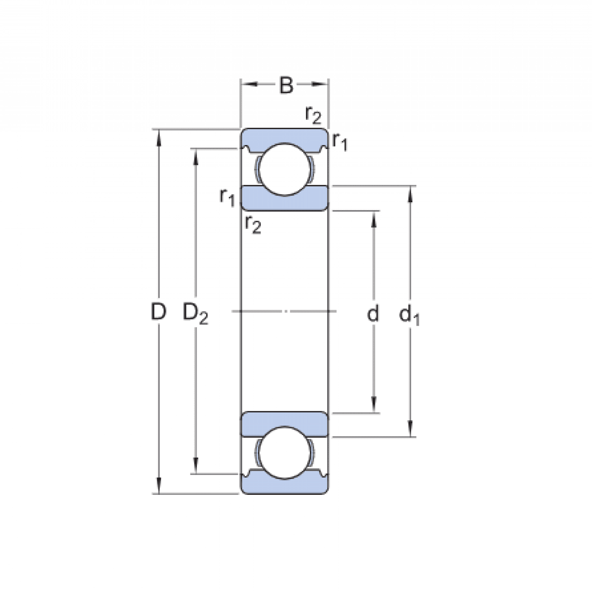
Rozmer: 40x68x15 Značka: ZKL
Skladom 10 ks na dopyt
+
-
ks