Ložisko 6008 - FAG

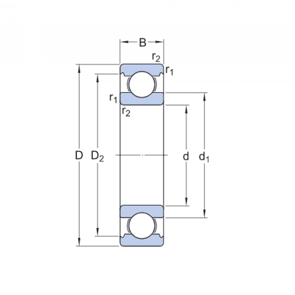
Rozmer: 40x68x15 Značka: FAG
Externý sklad na dopyt
+
-
ks