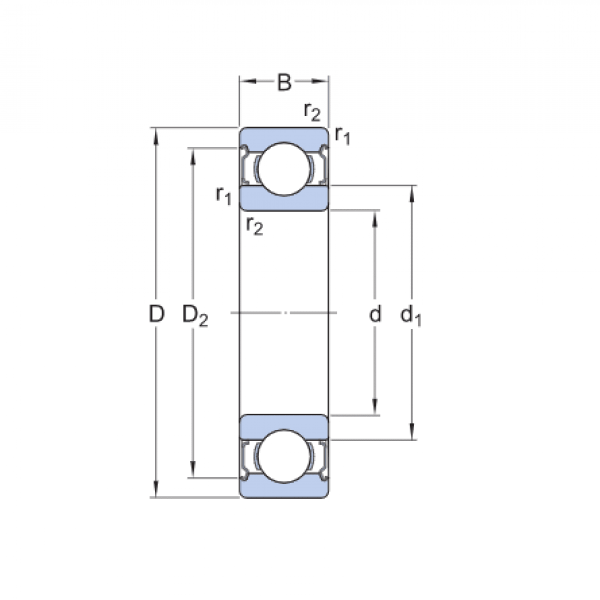
Ložisko 6009 2RS - BBC

Rozmer: 45x75x16 Značka: BBC
Skladom 30 ks na dopyt
+
-
ks