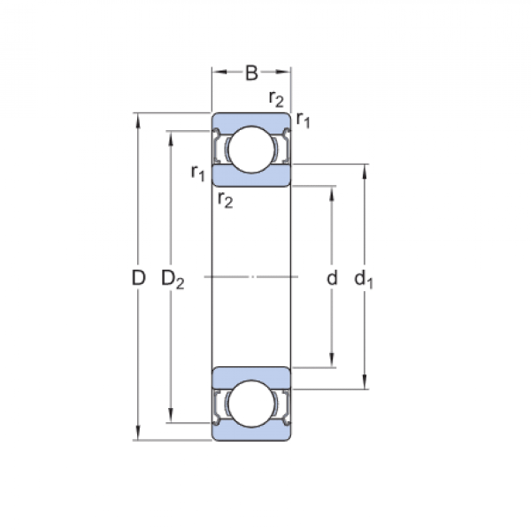
Ložisko 6009 2RS C3 - CX

Rozmer: 45x75x16 Značka: CX
Skladom 10 ks na dopyt
+
-
ks