Ložisko 6009 2RS DDU - NSK

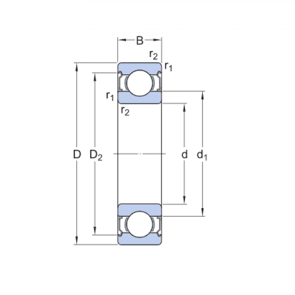
Rozmer: 45x75x16 Značka: NSK
Skladom 5 ks na dopyt
+
-
ks