Ložisko 6009 2RS - MTM

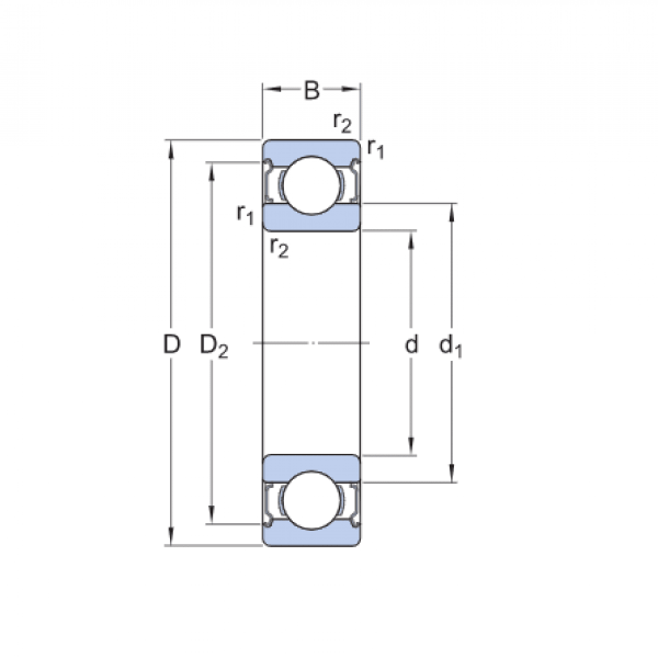
Rozmer: 45x75x16 Značka: MTM
Skladom 55 ks na dopyt
+
-
ks