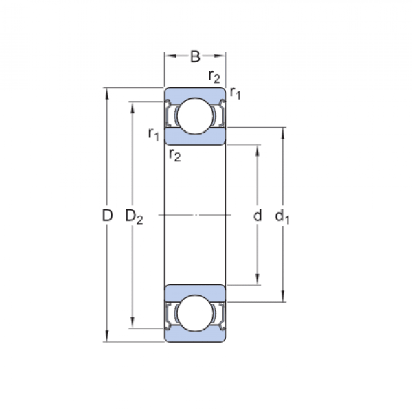
Ložisko 6009 2RS1 - SKF

Rozmer: 45x75x16 Značka: SKF
Skladom 127 ks na dopyt
+
-
ks