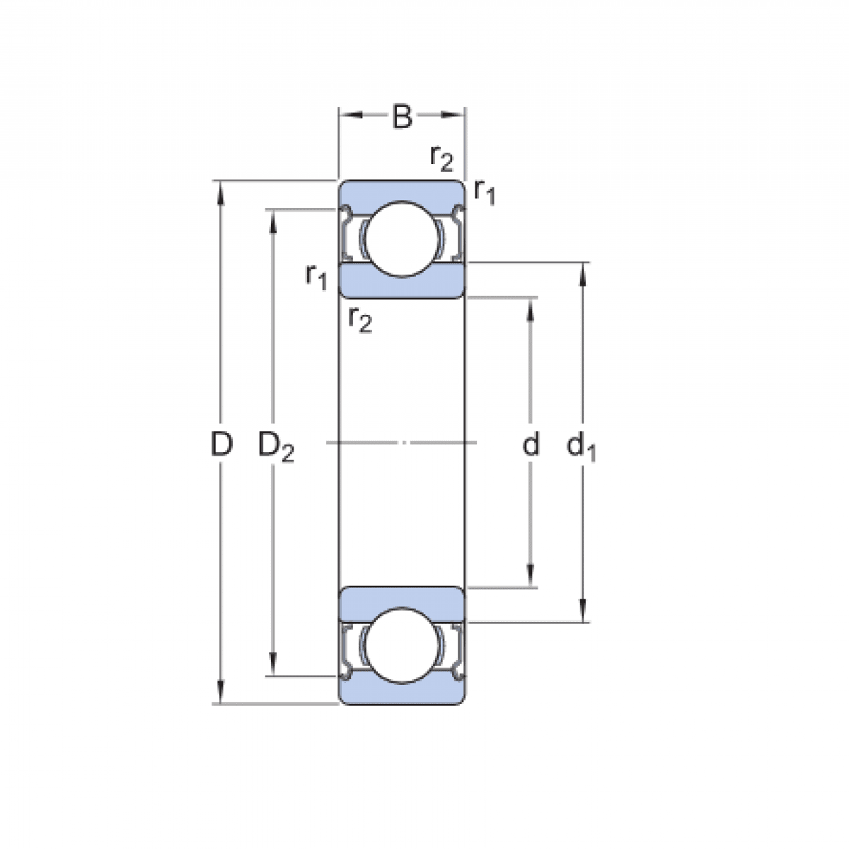
Ložisko 6009 2Z C3 - MTM

Rozmer: 45x75x16 Značka: MTM
Skladom 5 ks na dopyt
+
-
ks