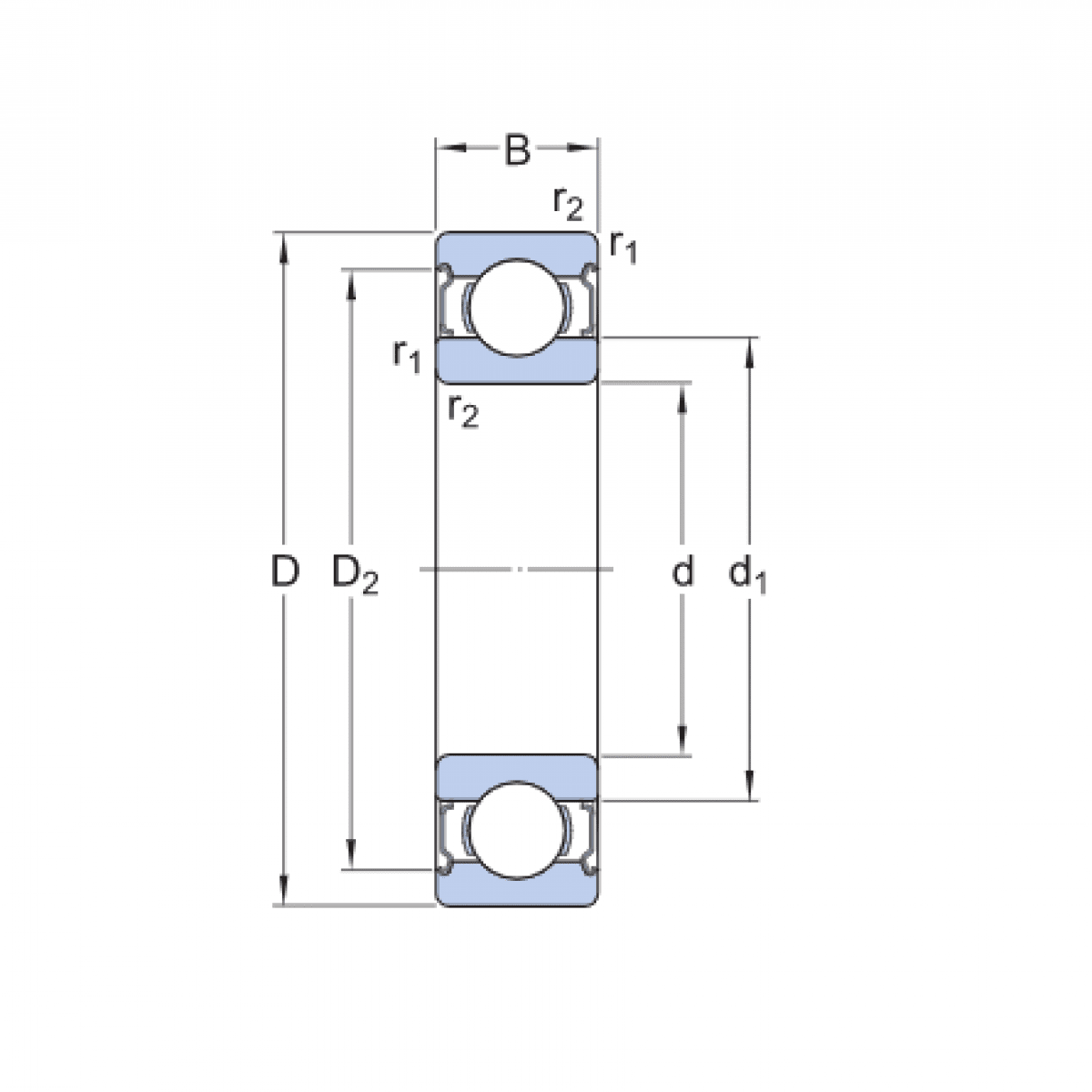
Ložisko 6009 2Z - CX

Rozmer: 45x75x16 Značka: CX
Externý sklad na dopyt
+
-
ks