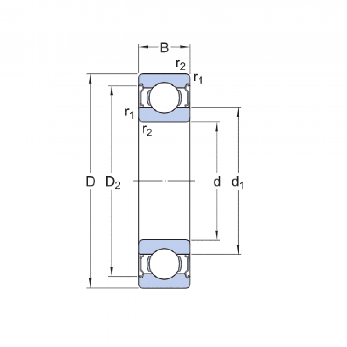
Ložisko 6009 2Z - MTM

Rozmer: 45x75x16 Značka: MTM
Externý sklad na dopyt
+
-
ks