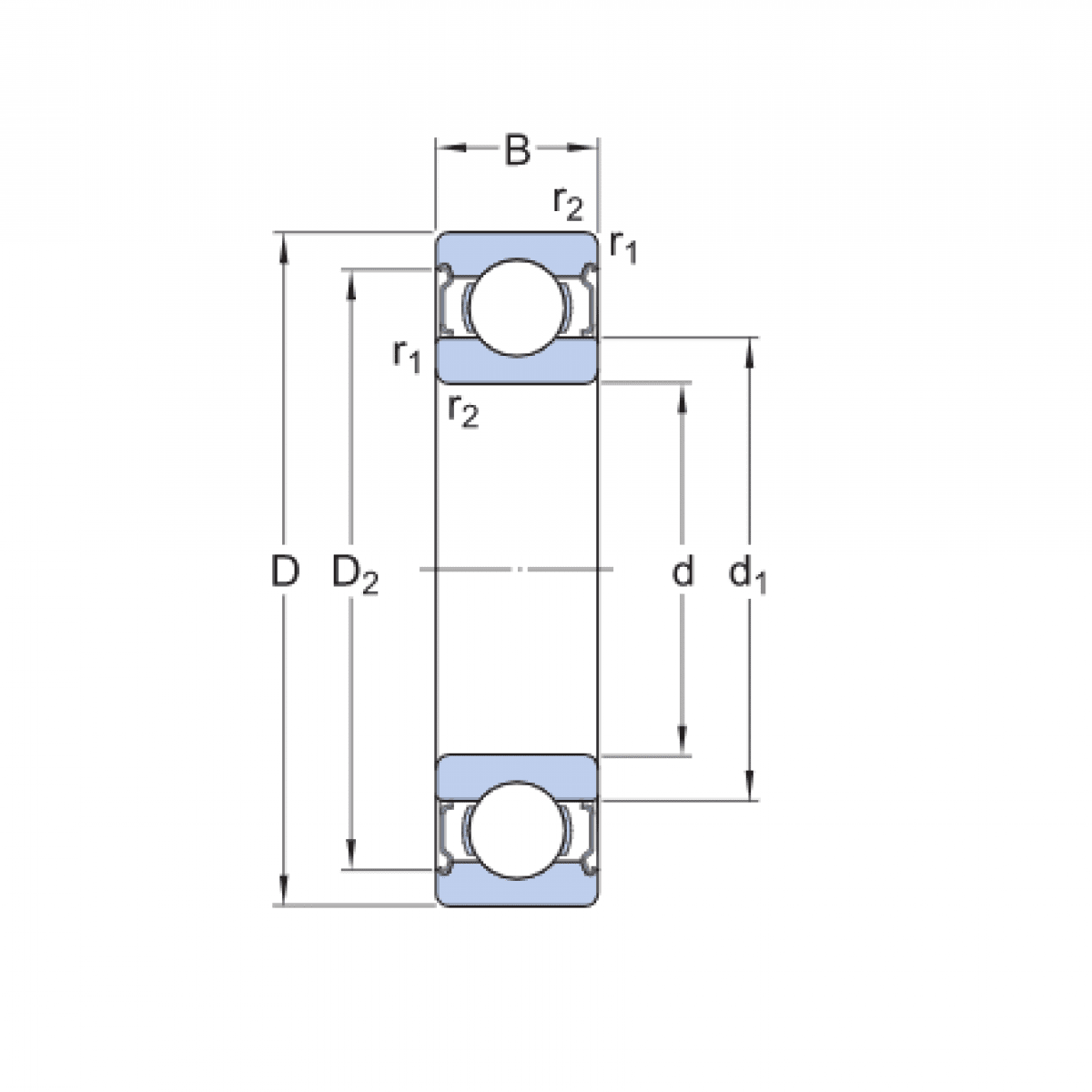
Ložisko 6009 2Z P6 - BBC

Rozmer: 45x75x16 Značka: BBC
Externý sklad na dopyt
+
-
ks