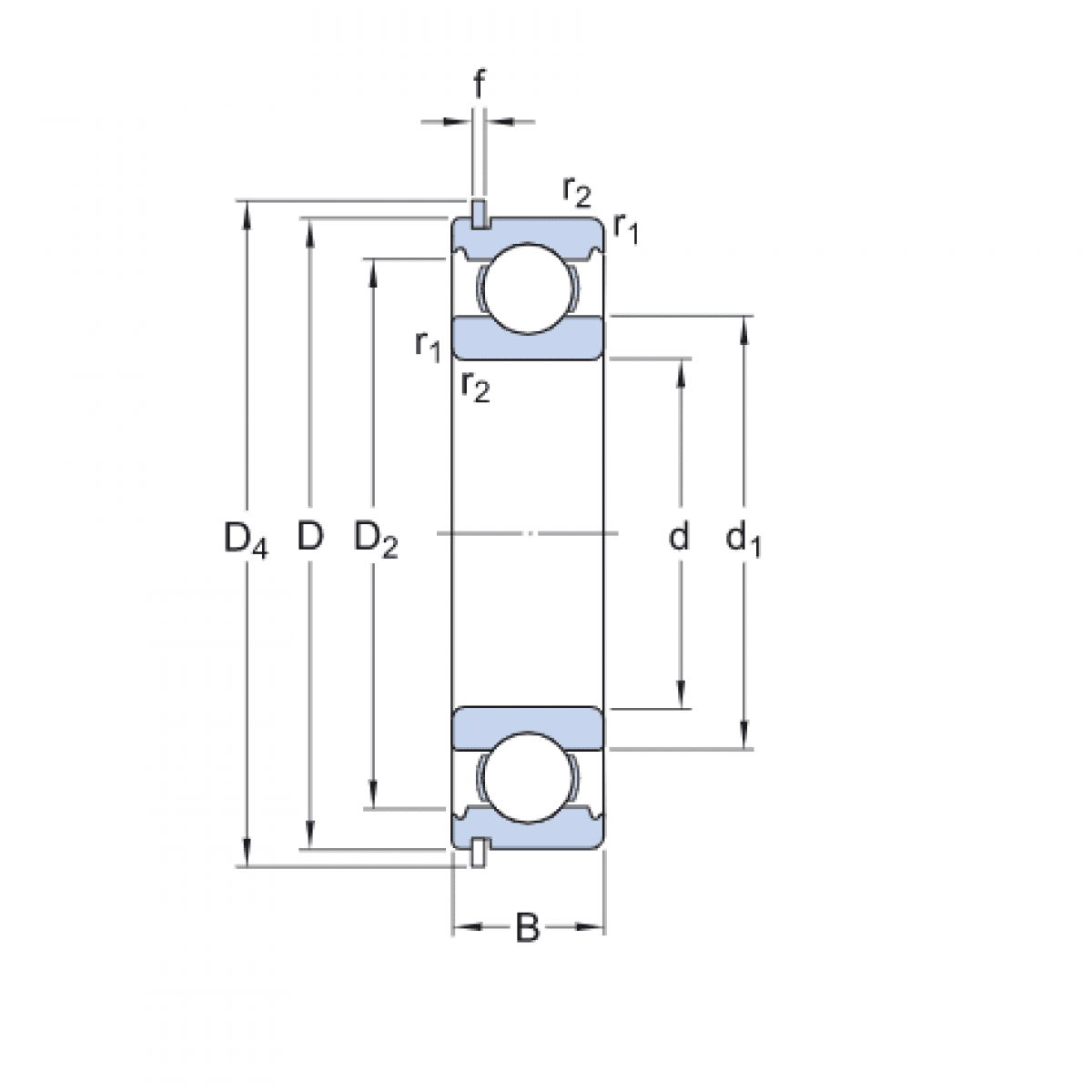
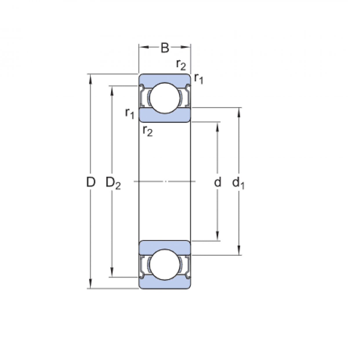
Ložisko 6009 2ZNR - NSK

Rozmer: 45x75x16 Značka: NSK
Externý sklad na dopyt
+
-
ks