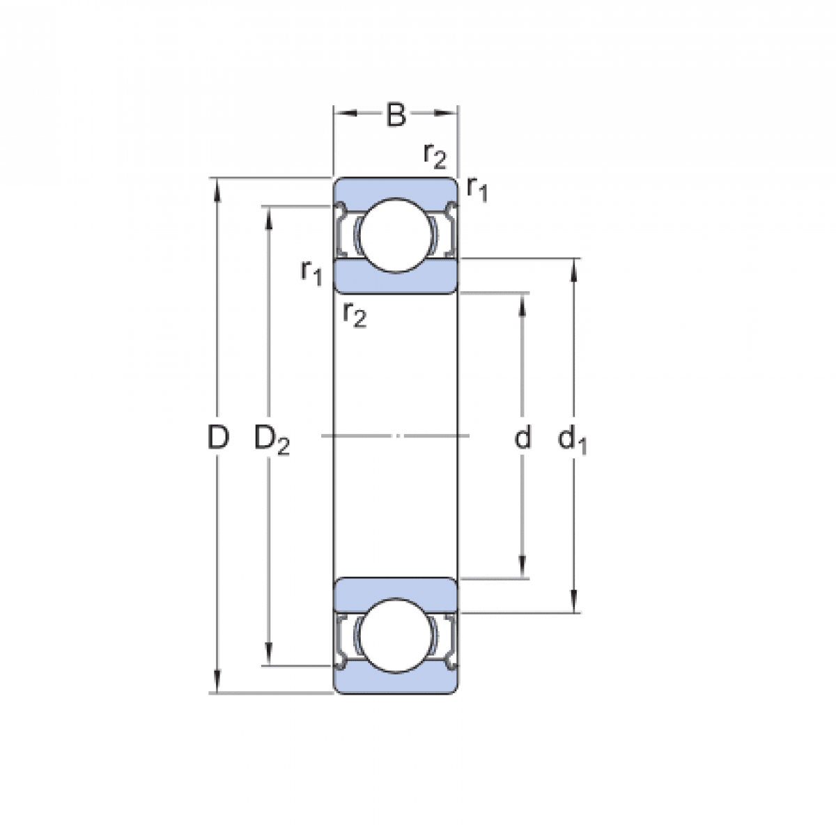
Ložisko 6009 2ZR - FAG

Rozmer: 45x75x16 Značka: FAG
Externý sklad na dopyt
+
-
ks