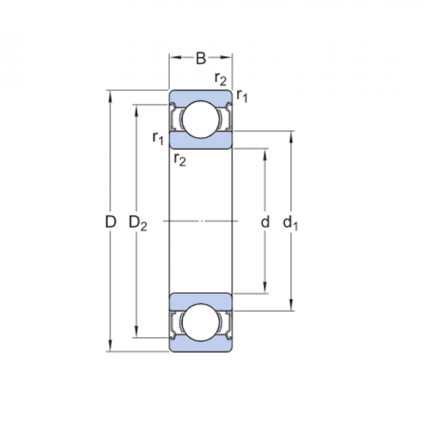
Ložisko 6009 RS - ZKL

Rozmer: 45x75x16 Značka: ZKL
Skladom 10 ks na dopyt
+
-
ks