Ložisko 6009 ZZ C3 - CX

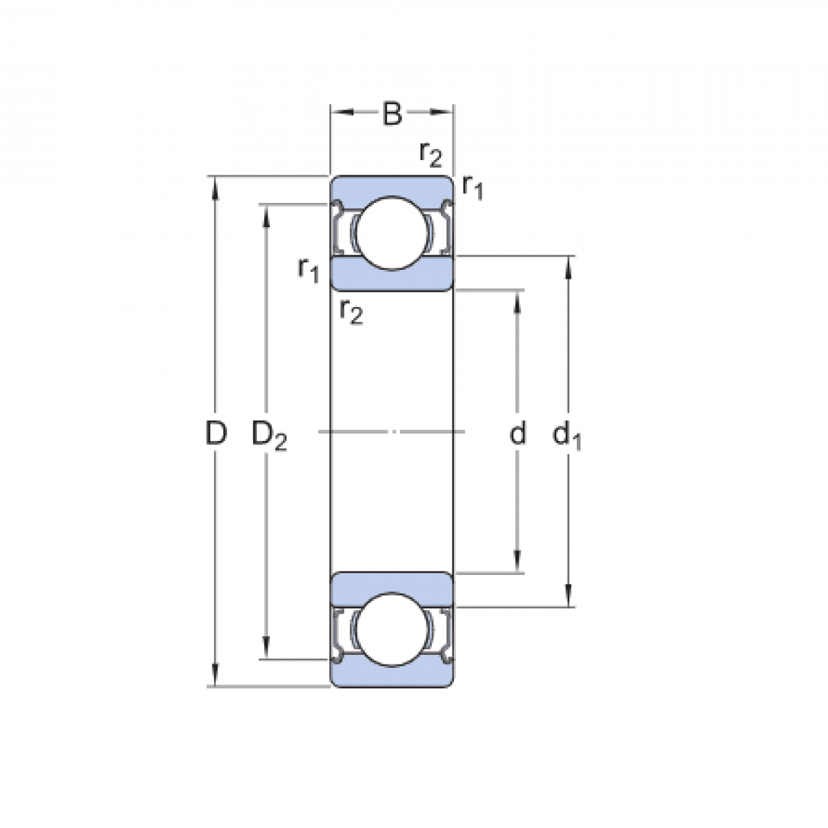
Rozmer: 45x75x16 Značka: CX
Skladom 5 ks na dopyt
+
-
ks