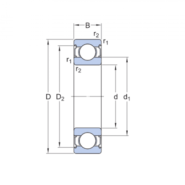
Ložisko 6010 2RS C3 - ZVL

Rozmer: 50x80x16 Značka: ZVL
Externý sklad na dopyt
+
-
ks