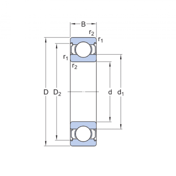
Ložisko 6010 2RS NR - NSK

Rozmer: 50x80x16 Značka: NSK
Externý sklad na dopyt
+
-
ks