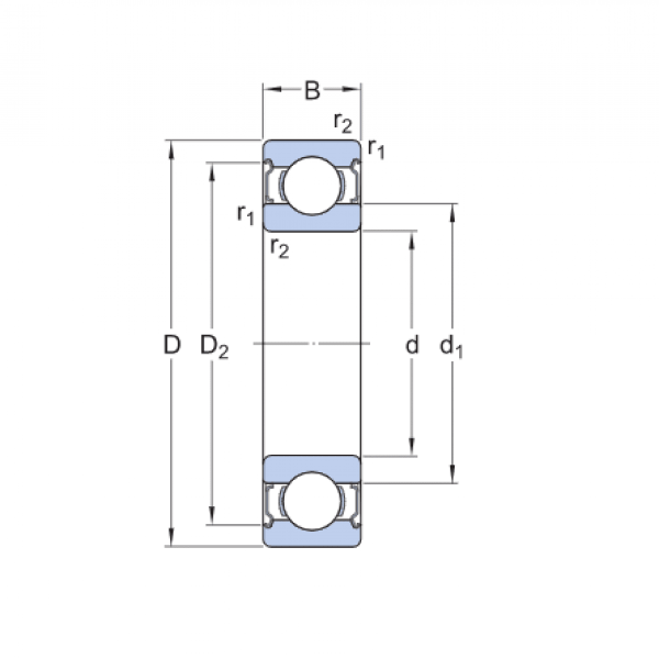
Ložisko 6010 2Z C3 - MTM

Rozmer: 50x80x16 Značka: MTM
Skladom 10 ks na dopyt
+
-
ks