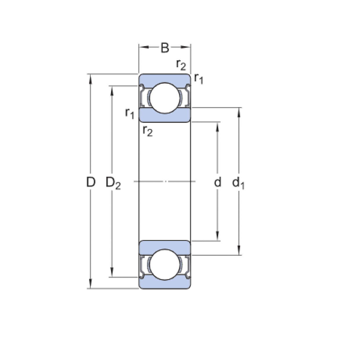
Ložisko 6010 2Z - CX

Rozmer: 50x80x16 Značka: CX
Externý sklad na dopyt
+
-
ks