Ložisko 6010 2Z - MTM

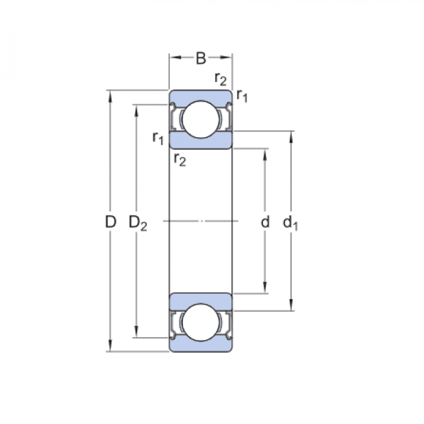
Rozmer: 50x80x16 Značka: MTM
Skladom 156 ks na dopyt
+
-
ks