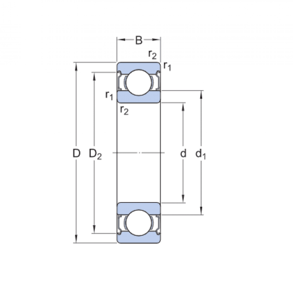
Ložisko 6010 2Z NR - KOYO

Rozmer: 50x80x16 Značka: KOYO-TORRINGTON
Externý sklad na dopyt
+
-
ks