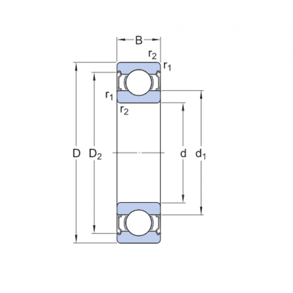
Ložisko 6010 2Z P6 - BBC

Rozmer: 50x80x16 Značka: BBC
Skladom 9 ks na dopyt
+
-
ks