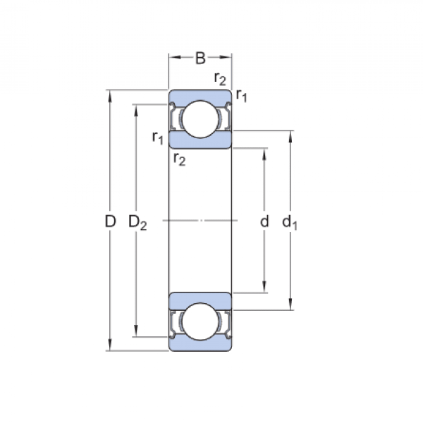
Ložisko 6010 2Z - ZKL

Rozmer: 50x80x16 Značka: ZKL
Externý sklad na dopyt
+
-
ks