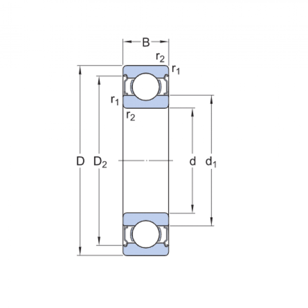
Ložisko 6010 2ZR - FAG

Rozmer: 50x80x16 Značka: FAG
Externý sklad na dopyt
+
-
ks