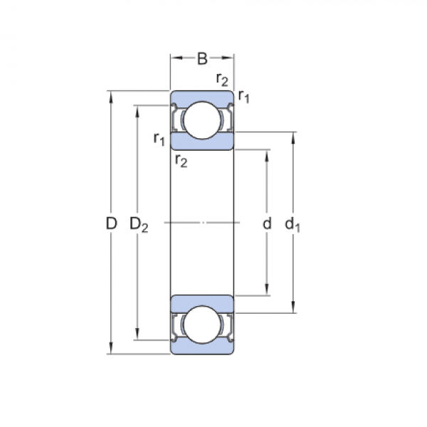
Ložisko 6011 2RS C3 - MTM

Rozmer: 55x90x18 Značka: MTM
Skladom 6 ks na dopyt
+
-
ks