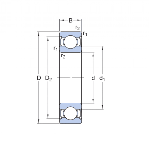
Ložisko 6011 2RS - CX

Rozmer: 55x90x18 Značka: CX
Externý sklad na dopyt
+
-
ks