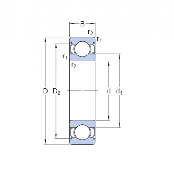
Ložisko 6011 2RS - MTM

Rozmer: 55x90x18 Značka: MTM
Skladom 13 ks na dopyt
+
-
ks