Ložisko 6011 2RS - NTN

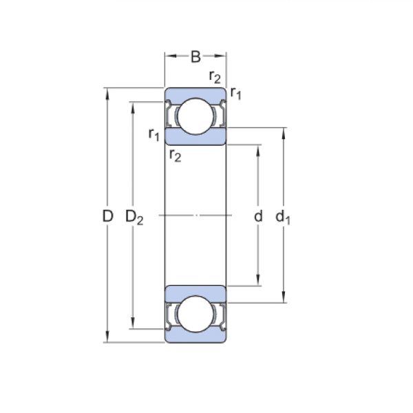
Rozmer: 55x90x18 Značka: NTN
Skladom 3 ks na dopyt
+
-
ks