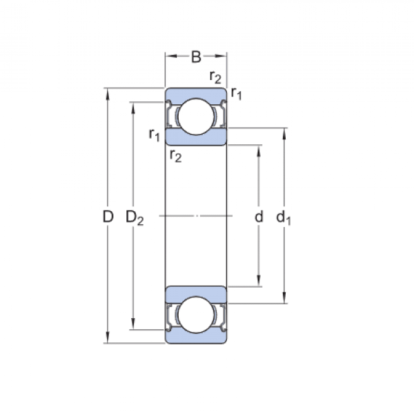
Ložisko 6011 2RS P6 - BBC

Rozmer: 55x90x18 Značka: BBC
Skladom 10 ks na dopyt
+
-
ks