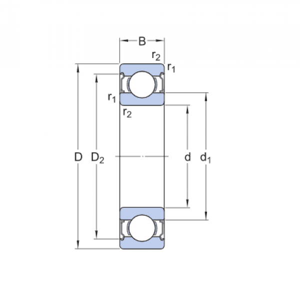
Ložisko 6011 2RS - ZKL NEW

Rozmer: 55x90x18 Značka: ZKL
Externý sklad na dopyt
+
-
ks