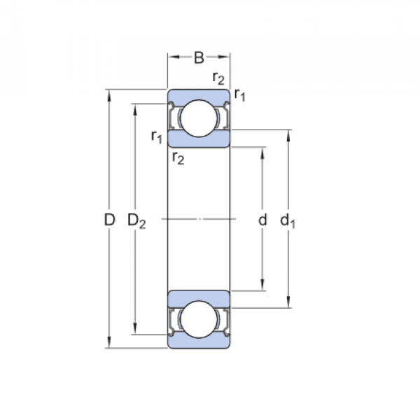
Ložisko 6011 2RS - ZVL

Rozmer: 55x90x18 Značka: ZVL
Skladom 9 ks na dopyt
+
-
ks