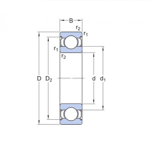
Ložisko 6011 2RSR C3 - FAG

Rozmer: 55x90x18 Značka: FAG
Skladom 2 ks na dopyt
+
-
ks