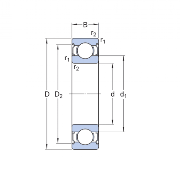
Ložisko 6011 2Z - CX

Rozmer: 55x90x18 Značka: CX
Skladom 6 ks na dopyt
+
-
ks