Ložisko 6011 2Z - MTM

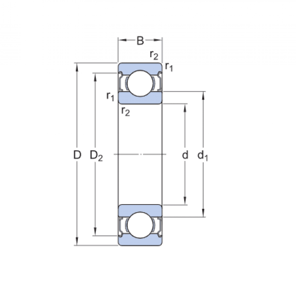
Rozmer: 55x90x18 Značka: MTM
Skladom 10 ks na dopyt
+
-
ks