Ložisko 6012 2RS C3 - ZLK

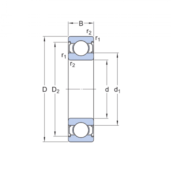
Rozmer: 60x95x18 Značka: ZLK
Skladom 3 ks na dopyt
+
-
ks