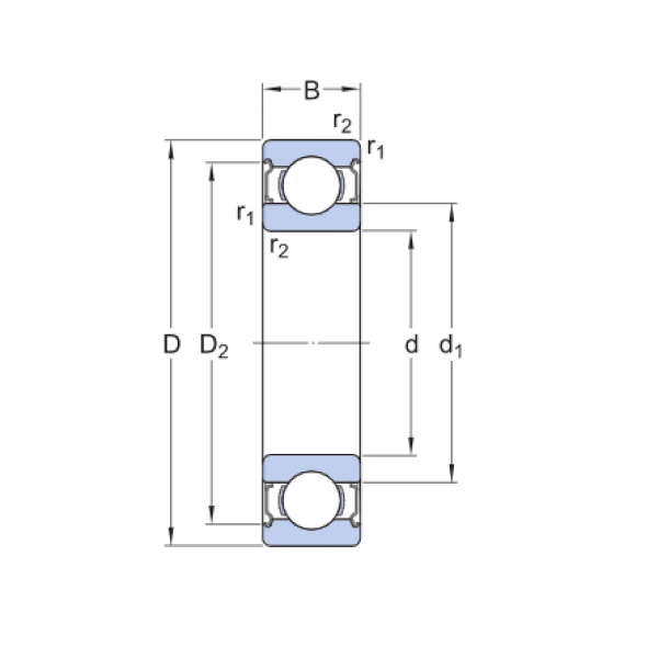
Ložisko 6012 2RS C3 - ZVL

Rozmer: 60x95x18 Značka: ZVL
Skladom 2 ks na dopyt
+
-
ks