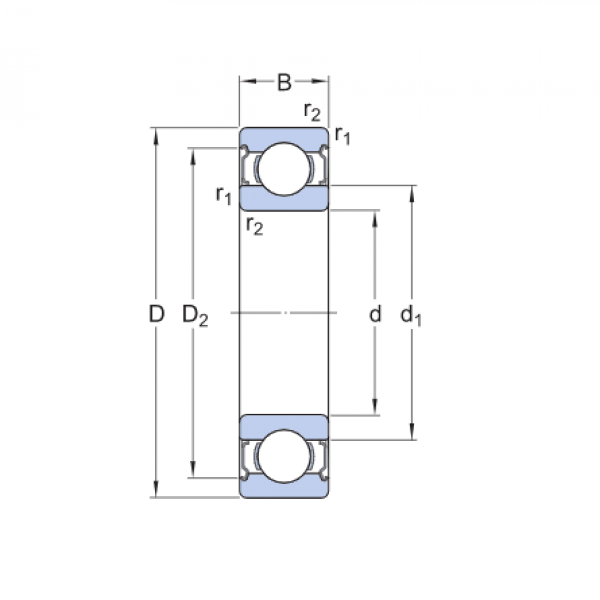
Ložisko 6012 2RS - FAG

Rozmer: 60x95x18 Značka: FAG
Externý sklad na dopyt
+
-
ks