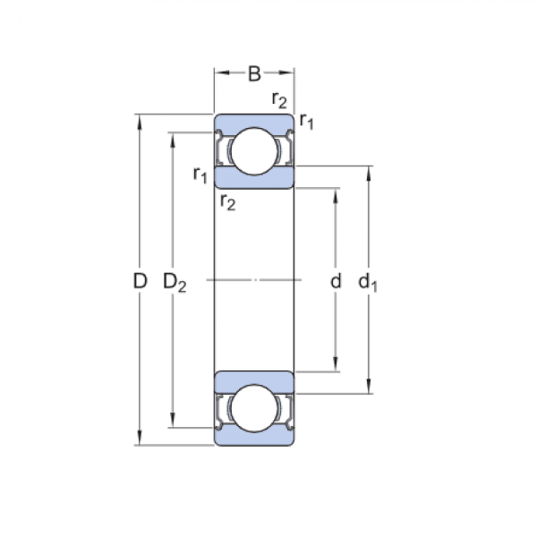
Ložisko 6012 2RS - MTM

Rozmer: 60x95x18 Značka: MTM
Externý sklad na dopyt
+
-
ks