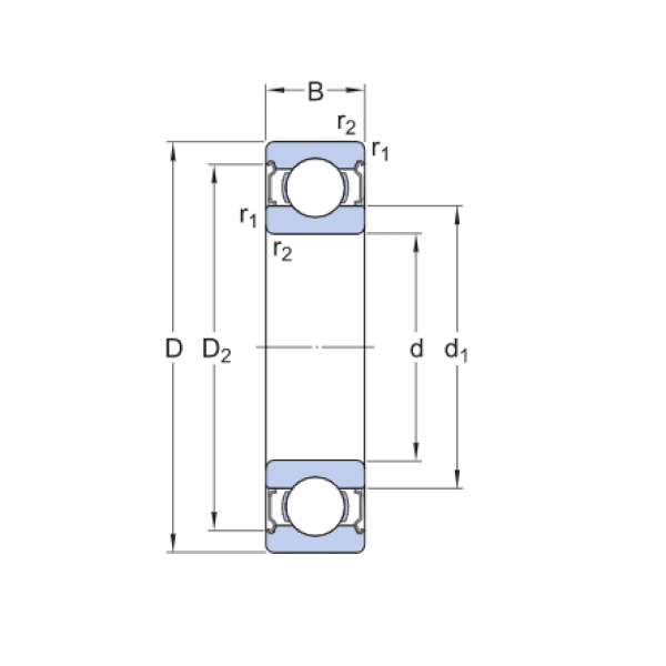
Ložisko 6012 2RS - ZKL NEW

Rozmer: 60x95x18 Značka: ZKL
Externý sklad na dopyt
+
-
ks