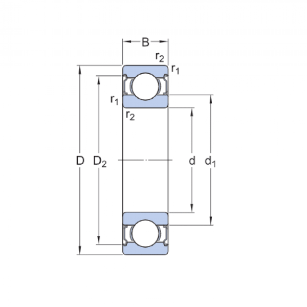
Ložisko 6012 2RS - ZVL

Rozmer: 60x95x18 Značka: ZVL
Skladom 10 ks na dopyt
+
-
ks