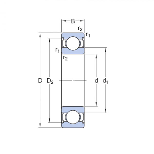
Ložisko 6012 2RS1 C3 - NTN

Rozmer: 60x95x18 Značka: NTN
Externý sklad na dopyt
+
-
ks