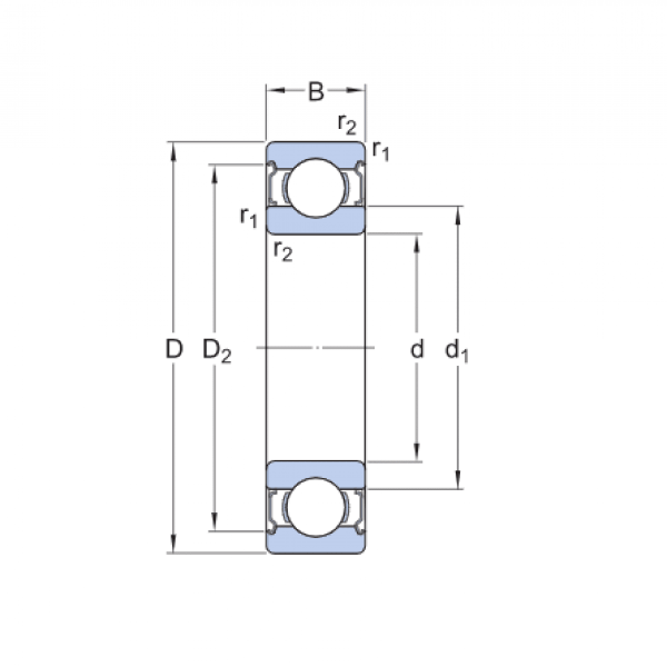
Ložisko 6012 2RS1 C3 - SKF

Rozmer: 60x95x18 Značka: SKF
Skladom 45 ks na dopyt
+
-
ks