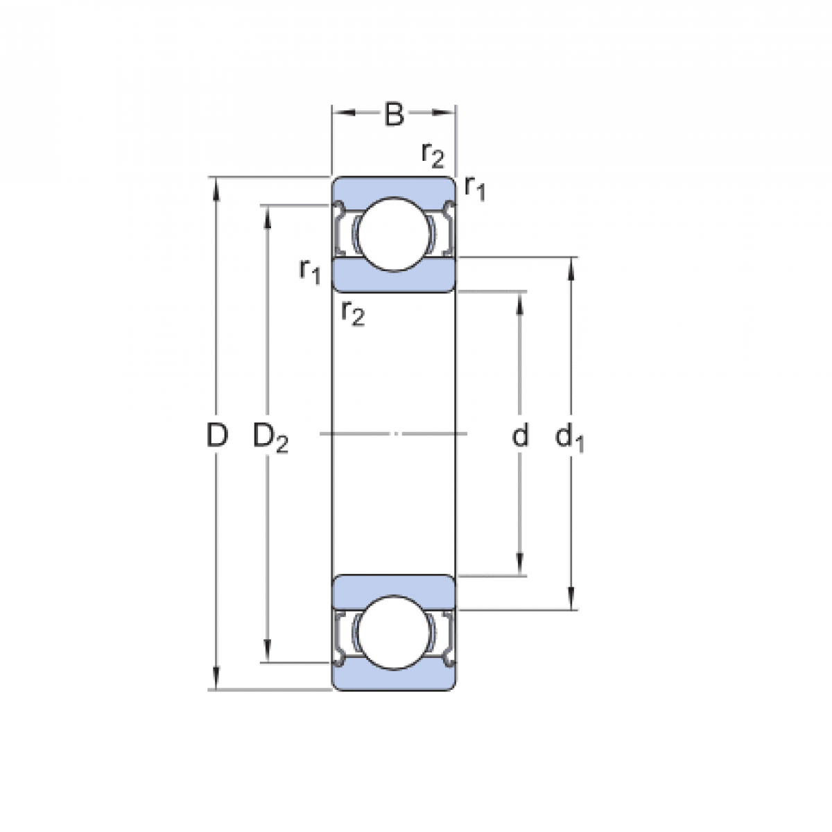
Ložisko 6012 2Z C3 - CX

Rozmer: 60x95x18 Značka: CX
Skladom 4 ks na dopyt
+
-
ks