Ložisko 6012 2Z - CX

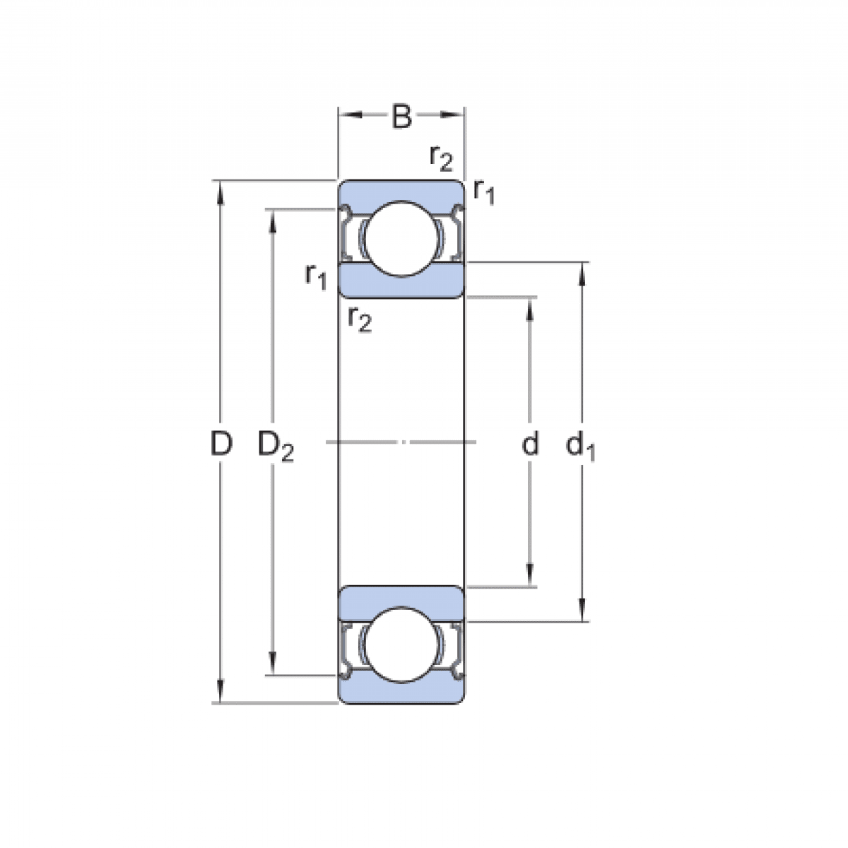
Rozmer: 60x95x18 Značka: CX
Skladom 1 ks na dopyt
+
-
ks