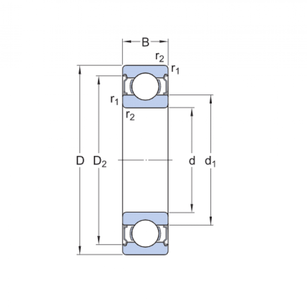
Ložisko 6012 2Z P6 - BBC

Rozmer: 60x95x18 Značka: BBC
Skladom 10 ks na dopyt
+
-
ks