Ložisko 6012 C3 - CX

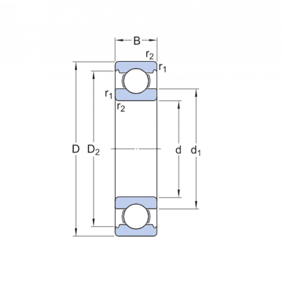
Rozmer: 60x95x18 Značka: CX
Skladom 2 ks na dopyt
+
-
ks