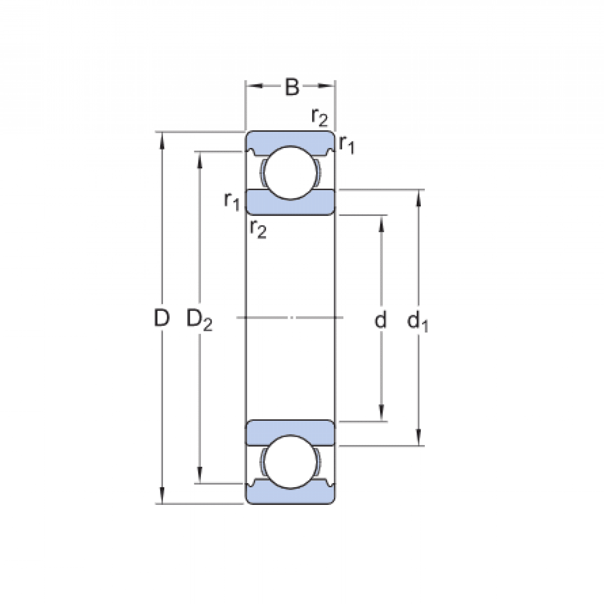
Ložisko 6012 - KINEX

Rozmer: 60x95x18 Značka: KINEX
Externý sklad na dopyt
+
-
ks