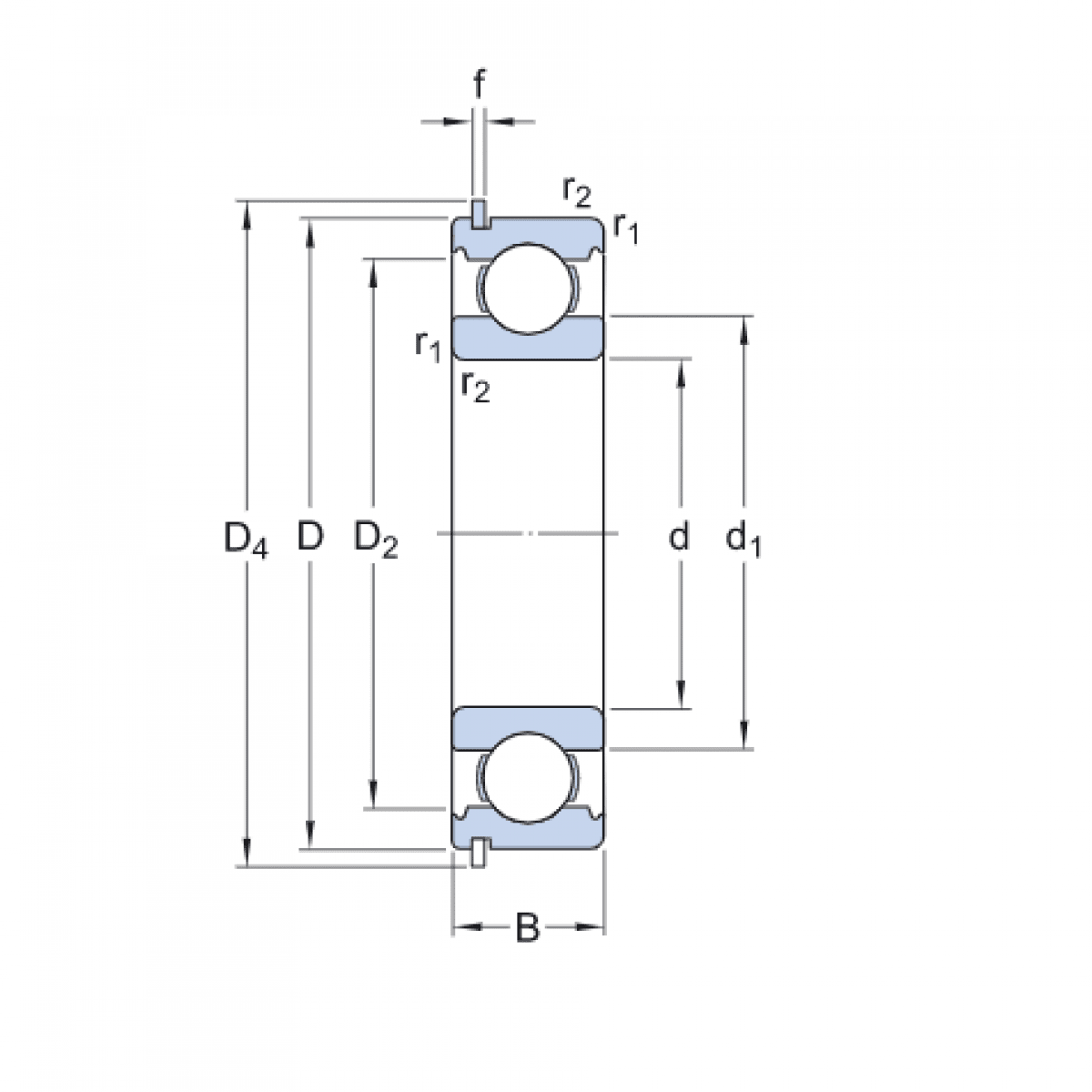
Ložisko 6012 NR - NSK

Rozmer: 60x95x18 Značka: NSK
Externý sklad na dopyt
+
-
ks