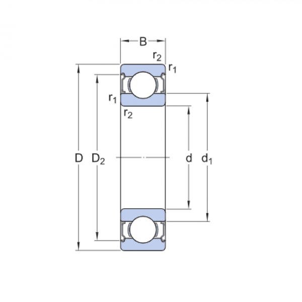
Ložisko 6013 2RS C3 - FAG

Rozmer: 65x100x18 Značka: FAG
Skladom 6 ks na dopyt
+
-
ks